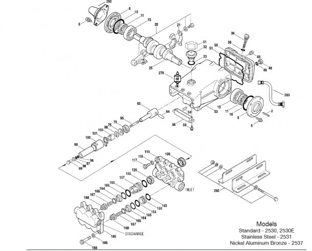
Cat Pumps Parts Diagrams Posted on April 17, 2019April 16, 2019 Sponsored links Related Posts:Cat Skeleton DiagramCat Internal Anatomy DiagramYamaha Outboard Parts DiagramCat C7 Heui Pump DiagramArctic Cat 250 Parts DiagramCat5 Wiring Diagram