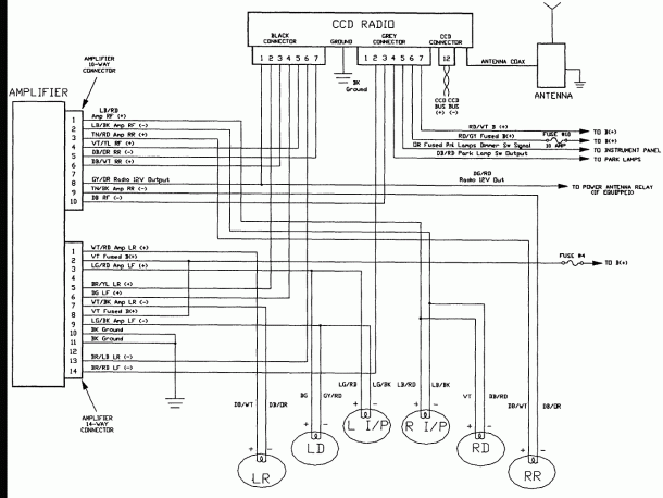
94 Jeep Cherokee Radio Wiring Diagram Posted on April 19, 2019April 19, 2019 Sponsored links Related Posts:2000 Jeep Cherokee Parts Diagram1997 Jeep Grand Cherokee Exhaust System Diagram2004 Jeep Grand Cherokee Fuse Diagram2001 Jeep Grand Cherokee Rear Suspension Diagram2006 Jeep Commander Fuse Diagram2006 Jeep Commander Trailer Wiring Diagram